
IPM Driver Optocoupler
| Product | Package | size(LxWxHmm) | IFon Min (mA) | CTR (Min) (%) | CTR (Max) (%) | tPHL Max (us) | tPLH Max(us) | PDD Max (us) | CMR(V/us) | Viso@lmin (Vrms) |
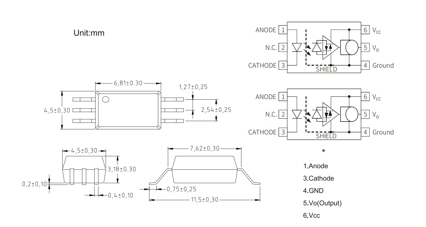
| KL480W | LSOP6 | 6.81x 4.58x3.18 | 6 | - | - | 0.35 | 0.35 | 0.25 | 20000 | 5000 |
| Broadcom/Avago | Onsemi/Fairchild | Toshiba | Vishay | Liteon | EL | Cosmo | Sharp | QUNXIN |
| ACPL-W480 | TLP715 | LTV-480W | EL480W |
