
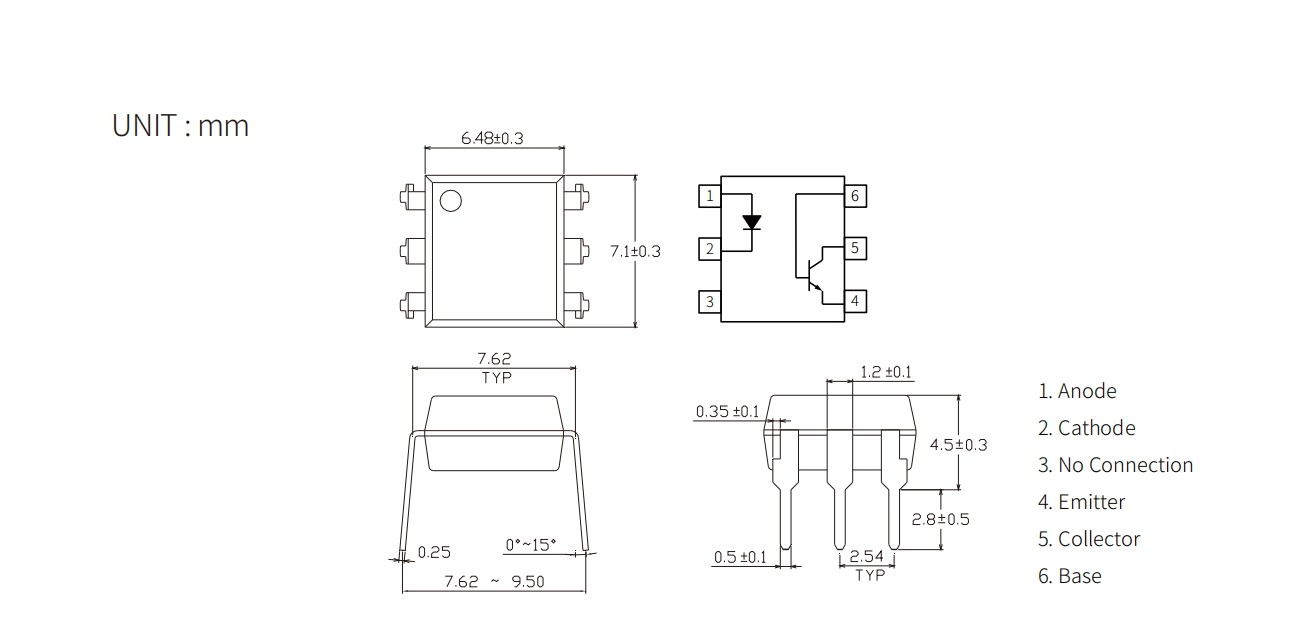
Photo Transistor Coupler
| Product | Package | size(LxWxHmm) | VF (V) | BV CEO (Min) (V) | V CE(SAT) (Max) (V) | IF (mA) | CTR (%) | tr (uS) | tf (uS) | ton (uS) | toff (uS) | Topr (Min) (degC) | Topr (Max) (degC) | Viso (Vrms) |
| KL4N35 | DIP6 | 7.1x6.5x3.5 | 1.2 | 80 | 0.3 | 10 | >100 | - | - | 10 | 9 | -55 | +110 | 5000 |
| Broadcom/Avago | Onsemi/Fairchild | Toshiba | Vishay | Liteon | EL | Cosmo | Sharp | QUNXIN |
| 4N35 | 4N35M | 4N35 | 4N35 | 4N35 | 4N35 | QX4N35 |
