| Product | Package | size(LxWxHmm) | Data Transfer Rate (Mbps) | Supply Voltage(V) | tPHL(ns) | tPLH(ns) | IFT (mA) | CTR(%) | CMR(V/us) | Io(mA) | Topr (Min) (degC) | Topr (Max) (degC) | Viso (Vrms) |
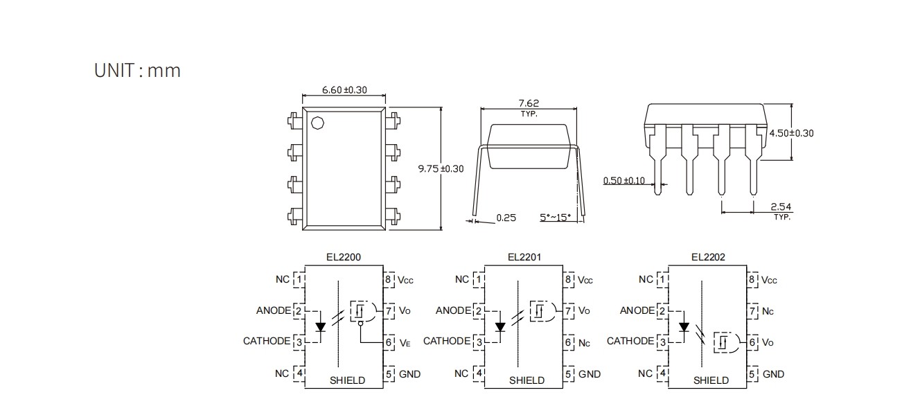
| KL2200 | DIP8 | 9.75x6.6x3.5 | 5 | 20 | 300 | 300 | 1.6 | - | 1000 | 25 | -40 | +85 | 5000 |
| Broadcom/Avago | Onsemi/Fairchild | Toshiba | Vishay | Liteon | EL | Cosmo | Sharp | QUNXIN |
| EL2200 |
