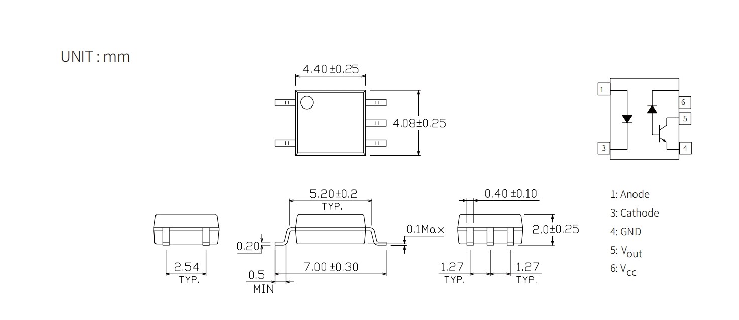
| Product | Package | size(LxWxHmm) | Data Transfer Rate (Mbps) | Supply Voltage(V) | tPHL(ns) | tPLH(ns) | IFT (mA) | CTR(%) | CMR(V/us) | Io(mA) | Topr (Min) (degC) | Topr (Max) (degC) | Viso (Vrms) |
| KLM453L | SOP5 | 4.4x4.1x2.0 | 1 | 30 | 0.8 | 0.8 | 16 | 20~50 | 15000 | 8 | -40 | 85 | 3750 |
| Broadcom/Avago | Onsemi/Fairchild | Toshiba | Vishay | Liteon | EL | Cosmo | Sharp | QUNXIN |
| ACPL-M50L | ELM453L | QXM511 |
